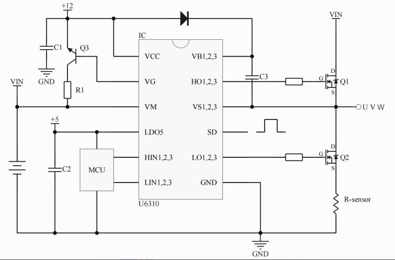
•产品描述:U6310/U6311是一款耐压为70V的集成三相全桥栅 极驱动器,适合于12V,24V和36V的三相电机应用中 高速功率 MOSFET 和IGBT 的栅极驱动,同时也集成 了12V LDO控制电路和MCU的供电 5.0V LDO,简化 了整个供电系统。U6311内置比较电路,可用于电流过 流检测,简化外围应用电路。 U6310/U6311 内 置 低 侧 电 源 和 高 侧 电 源 欠 压 (UVLO)保护功能,防止功率管在过低的电压下工 作,提高效率。 U6310/U6311输入脚兼容3.3-5.0V输入逻辑,集成 防穿通死区时间为 200ns,驱动能力为 +1.5A/- 1.8A。 U6310/U6311集成共模噪声消除技术使得高边驱 动器在高 dv/dt 噪声环境能稳定工作,并且使芯片具 有宽范的负瞬态电压忍受能力。
•主要特点:悬浮绝对电压: 70V;VM电压范围:5.0-70.0V; U6311 集成比较器(基准 200mV);兼容3.3/5V 输入逻辑;驱动电流:+1.5A/-1.8A(typ.);死区时间: 250ns (typ.);集成VCC和VBS欠压保护;集成12V LDO控制电路;集成5.0V LDO;5V LDO集成输出短路保护;过流检测(U6311);负瞬态电压承受能力;集成共模噪音消除电路;CPC24、SSOP24、QFN28 封装
•典型应用电路

Copyright © 2015-2023 绍兴宇力半导体有限公司
浙公网安备33060202001577
浙ICP备2020037221号-1
技术支持:蓝韵网络