•产品描述:U3502C是一个高压降压开关稳压器内置MOSFET。它集成了一个高侧、高电压、功率MOSFET,通常电流限制为3A(IPK)。输入范围适应各种降压应用,使其成为汽车,工业和照明应用的理想选择。采用滞回电压模式控制,响应速度非常快。UNIU专有的反馈控制方案最大限度地减少了所需外部组件的数量。开关频率为150KHz,允许元件尺寸小。热停机和短路保护(SCP)提供可靠和容错的操作。低静态电流允许U3502C用于电池供电的应用。U3502C采用ESOP-8封装,带外露板。
•主要特点:集成高压启动电路;集成5.3V基准;内置100V/135 mΩ MOSFET;内置自举二极管;滞后控制:无补偿;150 KHz开关频率;PWM调光控制输入降压应用;短路保护(SCP)与集成的高侧MOSFET;低静态电流;热关闭;可在一个ESOP-8封装与一个暴露的垫
•典型应用:滑板车,电动自行车控制电源;太阳能系统;汽车系统电源;工业电源;大功率LED驱动器;USB
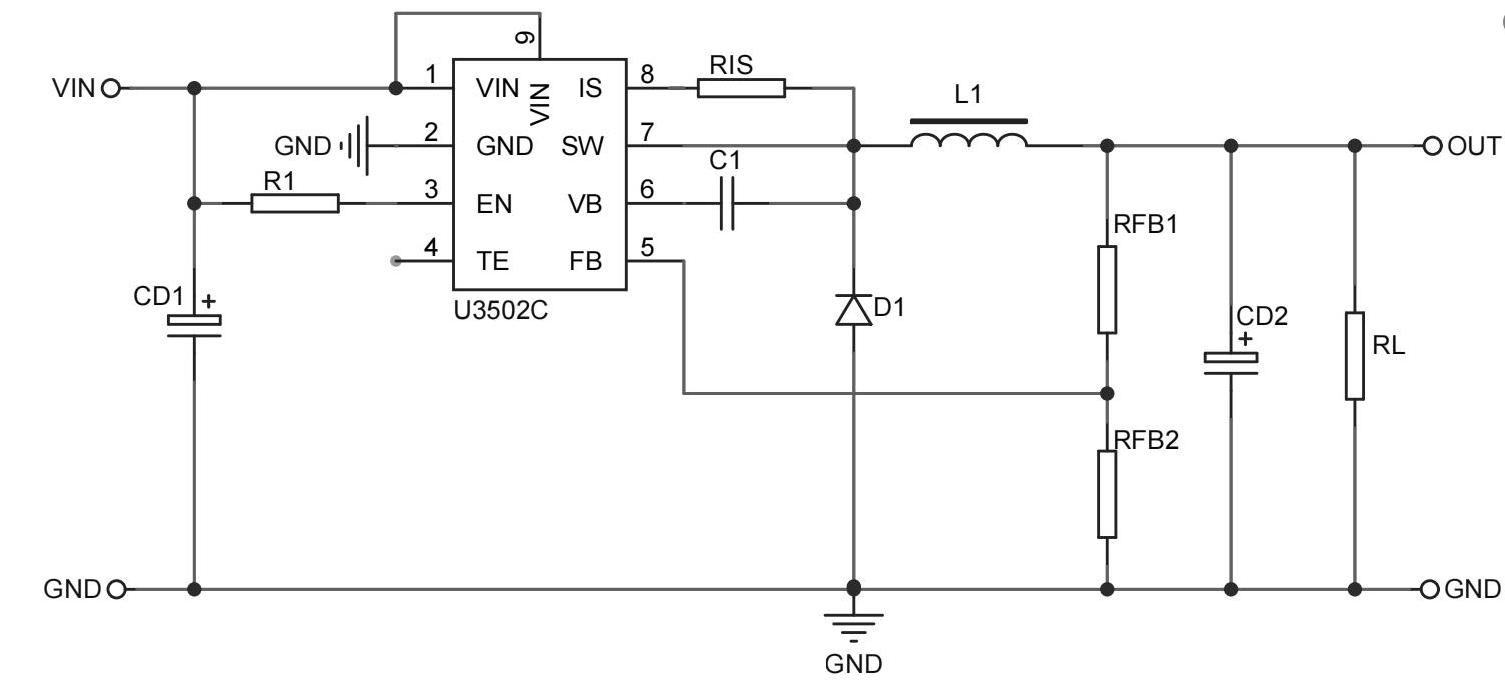
•典型应用电路

Copyright © 2015-2023 绍兴宇力半导体有限公司
浙公网安备33060202001577
浙ICP备2020037221号-1
技术支持:蓝韵网络